LIXIL エントランスライト LEK-15.16型、LEJ-4型
100Vエクステリアライト
AC100V照明はコンパクトなフォルムにデザインを一新し、エクステリアや住宅デザインに溶け込みます。
全般拡散タイプLEK-15型、16型、LEJ-4型の紹介ページです。
LEK-15型
消費電力4.4W器具光束 377lm
LED電球一般電球タイプ(E26)
灯具WΦ100・H987・ポール径Φ101
●埋設施工用/防雨型
●グローブ:ガラス(乳白つや消し)
●ポール:アルミ形材(各色)
●40形電球1灯相当の明るさ
●固有エネルギー消費効率85.6lm/W
●調光操作不可
LEK-16型
消費電力4.4W器具光束 377lm
LED電球一般電球タイプ(E26)
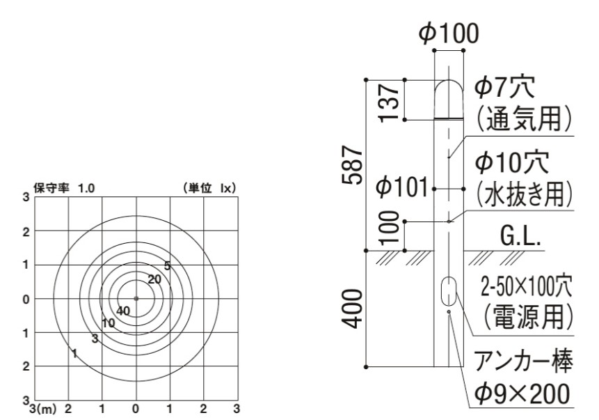
灯具WΦ100・H587・ポール径Φ101
●埋設施工用/防雨型
●グローブ:ガラス(乳白つや消し)
●ポール:アルミ形材(各色)
●40形電球1灯相当の明るさ
●固有エネルギー消費効率85.6lm/W
●調光操作不可
LEJ-4型
消費電力 4.3W器具光束 258|m
LED電球小形電球タイプ(E17)
灯具WΦ100・H1000・ポール径Φ101
●埋設施工用/防雨型
●グローブ:ガラス(乳白つや消し)
●灯具:アルミダイカスト(各色)
●ポール:アルミ形材(各色)
●壁スイッチ切替(センサー←→連続点灯)
●センサ可動範囲(水平方向340度、下方向20度)
●点灯照度調整機能付き
●40形電球1灯相当の明るさ
●固有エネルギー消費効率60.0lm/W
●調光操作不可
エントランスライト LEK-15.16型、LEJ-4型 価格帯
エントランスライト LEK-15.16型、LEJ-4型 価格¥35,700~
(LEK-16型 セット価格)
※メーカー価格の為、パートナーホーム価格は異なります。(40%OFFから~)

